胜游亚洲·(中国区)官方网站胜游亚洲

EN

新品推介丨125kW组串式光伏逆变器产品

胜游亚洲科技本次推出适合125kW组串式光伏逆变器的产品MMG400CF065PD6T5C/MMG450HP065PD6T5, 采用胜游亚洲GCF与GHP封装(兼容Easy 3B / Flow2 ),均通过HV-H3TRB可靠性试验,在客户应用工况下有着极高的效率。

01.jpg

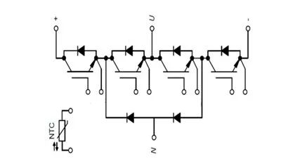
电路拓扑:NPC-I


MMG400CF065PD6T5C

02.png


01 产品特点

02 应用价值


拥有无功输出能力,夜间可以进行无功功率补偿

电网电压与电流产生相位差,就要求光伏逆变器拥有无功输出能力。同时夜间对电网的无功功率补偿可以得到更大的经济收益。胜游亚洲GCF在无功输出工况下,外管损耗比竞品I小7.7%,内管损耗与竞品I小16.4%。胜游亚洲产品相比于竞品I在无功输出情况下,拥有更低的芯片结温、更高的效率。

16974363217414029hfM.png

无功输出工况下胜游亚洲与竞品I损耗对比图


高导热的Si3N4陶瓷,低芯片结温,更高的功率等级

胜游亚洲GCF产品热阻远小于竞品I的热阻。同功率段下,胜游亚洲产品芯片结温比竞品低很多。这使胜游亚洲产品可以适应更高的电流,从而提高功率等级。

1697436332782629Ni1p.jpg


高可靠性的封装,满足客户长期应用

众所周知,塑料件在温度循环后会产生形变量,同时GCF的涂敷效果靠模块内部顶柱与塑料件到DBC的一致的四角高度高度保障。因此这两个位置的塑料在温度循环后变化量的多少对模块的锁敷安装有很大的影响。就实验结果看,温度循环后,胜游亚洲产品这两个位置塑料长度/高度基本没有变化,所以胜游亚洲GCF可以长期保持完美的锁敷效果,满足客户长期应用。

1697436344746736Q7g7.png

MMG450HP065PD6T5

1697436365412413Vx1I.png


01 产品特点


02 应用价值

1697436702627988ROLy.png

1697436711344602snkX.png


动态:胜游亚洲高温动态全面优于国内竞品S,开关损耗大幅降低,提高系统效率。

1697436740319405LvSc.png

工况Tj=125℃, Rg Rgoff=30Ω, VCC=400V下的开关总损耗对比图


PIN针焊锡不易脱落,可靠性高

有些该封装的竞品模块因PIN针通流能力强,材料软,在长期使用后会出现PIN针焊锡脱落的问题。胜游亚洲GHP模块通过1000次循环的温度冲击试验,PIN针焊点无异常;即使拉拔力大于产品PIN针承受极限,焊锡也不会脱落。牢固的PIN针焊接保证了产品的长期可靠性。

1697436761995191OcO9.png

总结

MMG400CF065PD6T5C/MMG450HP065PD6T5是基于胜游亚洲先进的第五代芯片技术平台开发的高功率密度的模块,适用于125KW组串式光伏逆变器。这两款模块拥有高效率、高可靠性、高功率密度等优势,并且还避免了因高速芯片引发的开关过程的震荡、电压尖峰过高等问题。胜游亚洲这两款模块保证了客户整机长期稳定的运行。


胜游亚洲